LiPo Lider Pro는 5V 1A출력을 할 수 있으나,
기본적으로 전원선만 연결되어 출시되고 있다.
http://www.seeedstudio.com/wiki/index.php?title=Lipo_Rider_Pro
http://www.seeedstudio.com/forum/viewtopic.php?f=4&t=3575
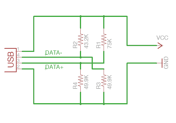
위의 포럼에 나온 것처럼 75K옴과 50K옴으로 저전류량의 2.1V정도를 D+/D-에 흘려주면 충전이 시작되지만,
아이폰/아이팟일 경우만 동작하고 아이패드에서는 제대로 충전이 시작되질 않았다.
http://thecustomgeek.com/2011/08/03/charging-an-ipad-iphone-or-ipod/

찾아보니 D-쪽은 대략 2.8V까지 올려줄 필요가 있었고,
땜질해놓은 75K옴에 추가로 하나를 더 병렬로 연결해서 저항값을 낮춰 줬다.
결과적으로 2.8V가 나왔고 아이패드도 충전이 시작되었다.
정리하면 R25, R27에는 51K옴을 R28에는 75K옴을, R26에는 대략 40K옴근처를 연결해주면 된다.
(내 경우는 75K옴 2개를 병렬 연결)







댓글 남기기