
1991년 용산 만트라에서 구입한 이 녀석은 지금까지 별다른 문제 없이 잘 써오던 녀석이었습니다. 뭐, 2013년 7월에 256kB 메모리를 512kB로 증설했고, 키보드를 미백처리해준 것과… 2015년 7월에는 전원 케이블을 잘라내고 8자코드를 끼울 수 있게 개조했고, 미백했던 키캡이 다시 변색된데다 필름 케이블 노화 문제 등으로 FS-A1WX 키보드로 교체를 해준 것 말고는 말이죠.

그런데, 한 1~2년 쯤 전부터 장기간 안 쓰다 켜면 바로 전원이 켜지지 않는 문제가 있었습니다.
대충 캐패시터 문제거니 싶다가도 뭐 한 몇 번 전원 스위치를 켰다껐다 반복하다보면 제대로 동작하고, 그러곤 한동안 문제없이 그냥 잘 써서 대충 넘어갔죠.
그러다 올해는 회사 이사 등으로 바빠서 제대로 손도 못대고 있다가, 어느정도 정리가 끝났고 너구리도 받아서 실행해보려고 켰는데 이게 영 켜지질 않는 것입니다. (지난번 영만님 확장 슬롯을 받았을 때만해도 힘겨워 했지만 켜지긴 했는데 말입니다)
고장 증상은 간단합니다. 전원 LED는 켜지는데 그 뒤로 진행을 하지 않습니다. 가끔 껐다 켰다 하다보면 PAUSE LED가 들어오기도 합니다.

그래서 지난달인 10월 12일경, 예전부터 콘갈이를 해주려고 마음을 먹고 차근차근 모아왔던 캐패시터를 사용해서 특히 전원부 쪽을 중점적으로 갈아주기 시작했습니다. 그런데도 개선될 조짐은 없고, 급기야는 전원 LED도 들어오지 않는 상태가 되었습니다.
이리저리 체크하다보니 5V, 12V가 제대로 출력되지 않고, -12V만 대충 나오는 상태인 것이 확인되었으며… 커다란 캐패시터 아래의 2SA1643에서 엄청난 열기를 내뿜는 것이었습니다.

전원을 내리고 체크해보니, 2번핀 Collector와 3번핀 Emmiter가 쇼트난 상태더군요.
전원부 쪽 세발 달린 녀석들을 뽑아내고, PC파워에서 선을 뽑아 보드에 직접 5V, 12V, -12V를 인가해봤습니다. 다행스럽게도 보드 자체는 별다른 문제없이 동작함을 확인했습니다.



그래서 AliExpress등을 뒤져 부품을 수배하기 시작했습니다만, 옛날 부품들이 많아 새것보다는 중고 위주로 찾아지더군요. 호환되는 부품찾는 것부터 시작해야해서 손을 놓고 있었는데, 숲속라키님이 FS-A1ST 서비스 매뉴얼에 나온 부품을 기준으로 호환성이 있는 요즘 구할 수 있는 녀석으로 체크해서 본인이 쓸 부품을 마우저에서 주문할 때 같이 주문해주셨습니다. (다시한번 감사 감사)
안되면 전원부 부품을 싹 들어내고 민웰에서 나온 가장 작은 SMPS로 교체해줄까도 생각했습니다. (기존 트랜스포머, 기판쪽 캐패시터 등을 싹 뽑고 잘만 우겨넣으면 들어갈 것 같아 보였습니다)

하지만, 숲속라키님 도움으로 주문한 것을 전달 받을 수 있었고 교체작업에 들어갔습니다.
그런데 한가지 문제가 생겼는데 가지고 있는 줄 알았던 7912가 없는 것이었습니다.
-12V가 나오긴하지만 이미 뽑아버렸고, 오래된 부품을 다시 끼우는 것은 찜찜해서 신뢰의 TI 부품으로 주문을 넣어 받았습니다.
그리고 이 부품들을 싹 교체하고 정상적으로 동작하더군요.


사진 삭제
사진 설명을 입력하세요.
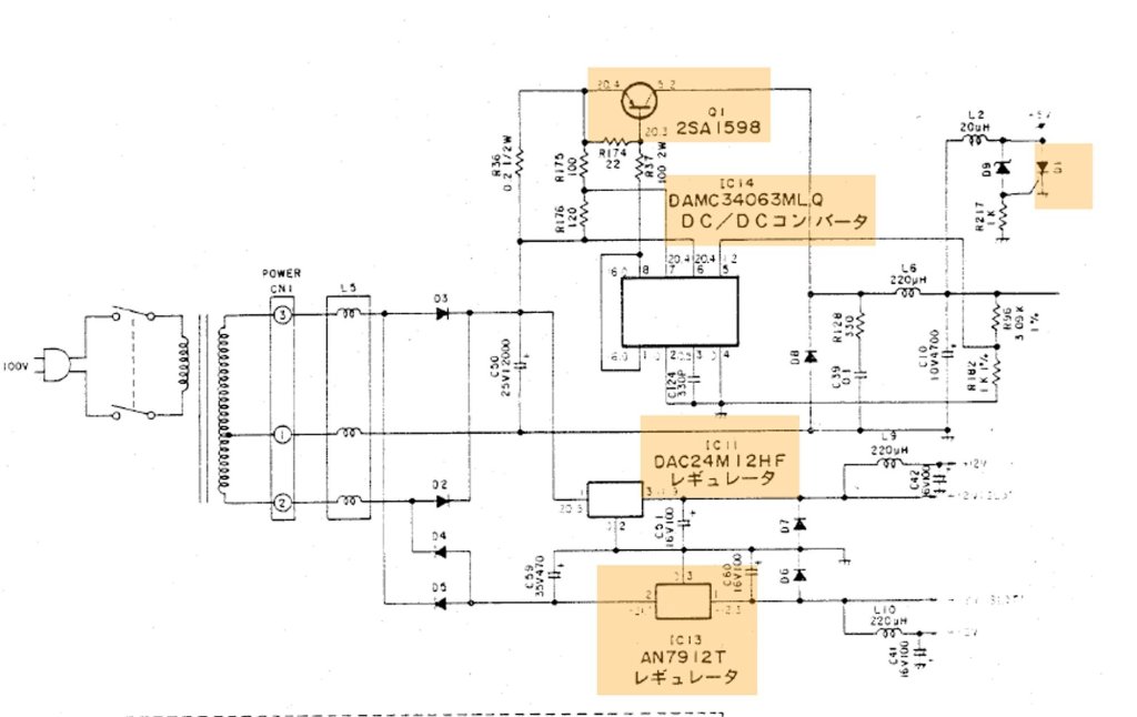
서비스 매뉴얼을 기준으로 숲속라키님이 골라준 부품등을 표시했습니다.

| 부품번호 | 데이터 시트 부품명 | 새로 구입한 부품명 | 구매처 |
| Q1 | 2SA1598 | KSA1010YTU | https://www.eleparts.co.kr/goods/view?no=8183015 https://www.devicemart.co.kr/goods/view?no=12817005 |
| D1 | DED5P4M | BT151-500R | https://www.eleparts.co.kr/goods/view?no=6071802 https://www.devicemart.co.kr/goods/view?no=10827642 |
| IC11 | DAC24M12HF | LM2940CT-12 | https://www.eleparts.co.kr/goods/view?no=3984625 https://www.devicemart.co.kr/goods/view?no=12463607 |
| IC13 | AN7912T | LM7912CT | https://www.eleparts.co.kr/goods/view?no=7239515 https://www.devicemart.co.kr/goods/view?no=12464713 |
| IC14 | DAMC34063MLQ | MC34063ADR | https://www.eleparts.co.kr/goods/view?no=51849 https://www.devicemart.co.kr/goods/view?no=12457173 |
D1, Q1에는 부품의 뒷면이 덮여 절연되어있는 모델이 사용되었으나, 새로 구한 제품은 GND로 전기가 통하는 문제가 있었습니다. 하지만 그다지 쇼트날 구조가 아니었으므로 그대로 연결해줘도 별다른 문제는 없었습니다.
또 MC34063은 지금도 별 문제 없이 구할 수는 있으나, 칩 사이즈가 살짝 다릅니다. 원래 달려있던 것이 5mm정도 폭이었는데, 이것은 3.9mm폭입니다. 핀간격은 같으므로 교체하는데 큰 문제는 없습니다. 기판에서 원래의 칩을 분리하면 패턴이 길게 나있으므로 중간에 잘 맞춰 땜질해주면 됩니다. 다만 부품 적출할 때 보드가 낡아 패턴이 떨어질 수 있으므로 조심해서 잘 뜯어내시길. 만약 패턴이 떨어져 나가거나 했다면, 서비스 매뉴얼을 잘 보고 다른 부품에서 직접 선을 따와 연결해주시면 됩니다.

기왕 뜯은김에 전원부 근처에 5V 팬과 레귤레이터 등에 방열판을 붙여주긴 했습니다만, 지금까지도 없이 잘 써왔기 떄문에 안해줘도 문제는 없을 것 같습니다. 5V전원은 FDD 포트 안쓰는 부분에서 뽑아줬습니다. 1,2,4,5번이 5V, 7,8,10,15,17이 GND입니다.

모든 작업 공구를 회사에 가져다 둬서 회사에서 작업을 했는데요, 깜박잊고 모니터 연결할 장비를 안가져가서 LED들어오는 것으로만 동작을 확인할 수 있었습니다.
그래도 차례대로 넘어가는 걸 보니 안심되더군요.
나중에 집에 들고와서 확인했더니 역시 정상동작! 너구리도 잘 돌릴 수 있게 되었습니다! ㅋㅋㅋ


아무튼, 30년 이상 써온 물건이다보니 언제 고장나도 이상할 게 없었습니다만, 이번 수리로 당분간 잘 쓸 수 있을 것 같습니다.
혹시라도 다른분들도 A1ST, A1GT의 전원부 이상 시 수리에 도움이 되었으면 합니다.
마지막으로 다시한번 도움주신 숲속라키님께 감사를.^^
P.S. 모니터 연결장비를 놓고 LED로만 테스트하고는 급하게 뚜껑을 덮어버렸는데, 뜯은김에 확장슬롯에 대응하는 예비핀 개조를 했었어야 했다고 후회중입니다. 나중에 나머지 캐패시터 교체하거나 하면서 다시 뜯어서 싹 손봐야할 거 같습니다. orz. 키보드 필름 문제도 있고 해서 가급적 뜯지 않는 게 좋은데 말입니다. T_T







댓글 남기기